GB-T 794 강화 컵 헤드 스퀘어 넥 볼트: 기능, 응용 프로그램 및 이점
소개
이GB-T 794 강화 컵 헤드 스퀘어 넥 볼트다양한 산업 응용 분야의 고강도 요구 사항을 충족하도록 설계된 프리미엄 패스너입니다. 에 따라 제조됩니다.기가바이트-T 794표준으로 제공되는 이 볼트는 강화된 컵 모양의 헤드와 스퀘어 넥을 결합하여 우수한 토크 저항을 제공하고 설치 중 회전을 방지합니다. 의 독특한 디자인 특징은GB-T 794 강화 컵 헤드 스퀘어 넥 볼트안전, 안정성 및 내구성이 가장 중요한 중장비 환경에서 중요한 구성 요소를 고정하는 데 매우 효과적입니다.
사진
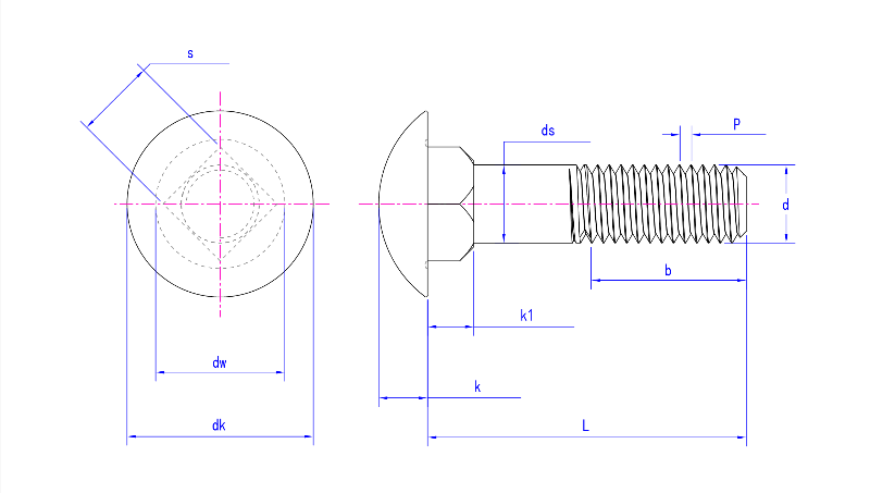
제품 도면
GB-T 794 강화 컵 헤드 스퀘어 넥 볼트의 주요 특징
최대 토크 저항을 위한 강화된 컵 헤드
이GB-T 794 강화 컵 헤드 스퀘어 넥 볼트뛰어난 토크 저항을 제공하는 컵 모양의 헤드가 특징이며 설치 중 공구 미끄러짐을 방지합니다. 이 설계는 볼트를 단단히 조여 벗겨지거나 고장나지 않고 고응력 응용 분야를 처리할 수 있도록 보장하므로 중요하고 고하중 체결 상황에 이상적입니다.회전을 방지하기 위한 스퀘어 넥
스퀘어 넥 디자인이GB-T 794 강화 컵 헤드 스퀘어 넥 볼트설치 중 회전을 방지하도록 설계되었습니다. 이 기능을 사용하면 추가 잠금 장치 없이 볼트를 제자리에 단단히 잠글 수 있으므로 연결의 전반적인 안정성과 보안이 향상됩니다.내구성을 위한 고강도 소재
탄소강, 합금강 또는 스테인리스강과 같은 고강도 재료로 제작된GB-T 794 강화 컵 헤드 스퀘어 넥 볼트오래 지속되도록 제작되었습니다. 이 볼트는 무거운 하중, 진동 및 기계적 응력을 견디도록 설계되어 까다로운 환경에서도 긴 사용 수명을 보장합니다.장기적인 보호를 위한 부식 방지 코팅
그들의 수명을 더욱 향상시키기 위해,GB-T 794 강화 컵 헤드 스퀘어 넥 볼트아연 도금, 아연 도금 또는 기타 보호 코팅과 같은 다양한 부식 방지 마감재로 코팅할 수 있습니다. 이는 녹과 열화를 방지하는 데 도움이 되므로 이러한 볼트는 가혹한 요소에 대한 노출이 흔한 실외, 해양 또는 화학 환경에서 사용하기에 적합합니다.안전한 착용감을 위한 정밀 엔지니어링
이GB-T 794 강화 컵 헤드 스퀘어 넥 볼트나사 구멍 또는 어셈블리에 완벽하게 맞는지 확인하기 위해 정확한 사양으로 제조됩니다. 이 정밀 엔지니어링은 안정적이고 신뢰할 수 있는 연결을 보장하여 동적 부하 또는 진동에서 풀리거나 고장될 위험을 줄입니다.
GB-T 794 강화 컵 헤드 스퀘어 넥 볼트의 응용
건설 및 구조 공학
GB-T 794 강화 컵 헤드 스퀘어 넥 볼트강철 빔, 기둥 및 기타 하중지지 구성 요소를 고정하기 위해 건설 및 구조 엔지니어링에 널리 사용됩니다. 스퀘어 넥 디자인은 볼트를 제자리에 고정하여 회전에 대한 우수한 저항을 제공하며, 이는 강한 힘이나 동적 하중을 받는 구조물의 무결성을 유지하는 데 필수적입니다.자동차 산업
자동차 산업에서는GB-T 794 강화 컵 헤드 스퀘어 넥 볼트일반적으로 엔진 부품, 섀시 구성 요소 및 배기 시스템을 고정하는 데 사용됩니다. 이 볼트의 향상된 토크 저항과 회전 방지 기능은 높은 수준의 진동과 토크가 정기적으로 발생하는 자동차 응용 분야에 이상적입니다.중장비 및 장비
중장비, 산업 장비 및 제조 시스템에는 상당한 기계적 응력을 견딜 수 있는 패스너가 필요한 경우가 많습니다. 이GB-T 794 강화 컵 헤드 스퀘어 넥 볼트이러한 부하를 쉽게 처리할 수 있도록 설계되어 중부하 조건에서 작동하는 기계 구성 요소에 대한 안전하고 오래 지속되는 연결을 제공합니다.조선 해양 응용 분야
이GB-T 794 강화 컵 헤드 스퀘어 넥 볼트또한 선박, 석유 굴착 장치 및 해양 플랫폼의 부품 고정과 같은 조선 해양 응용 분야에도 사용됩니다. 이 볼트는 염수 및 부식성 요소에 대한 노출을 포함하여 가장 혹독한 환경 조건을 견딜 수 있도록 설계되어 해양 환경에서 장기적인 성능을 보장합니다.발전 및 석유 및 가스 산업
발전, 석유 및 가스 산업에서는GB-T 794 강화 컵 헤드 스퀘어 넥 볼트터빈, 파이프라인 및 압력 용기의 중요한 구성 요소를 고정하는 데 사용됩니다. 이 볼트의 높은 강도와 내식성은 극한의 온도, 압력 및 부식성 화학 물질을 경험하는 환경에 적합합니다.
GB-T 794 강화 컵 헤드 스퀘어 넥 볼트의 장점
토크 저항 증가
이GB-T 794 강화 컵 헤드 스퀘어 넥 볼트설치 중 토크 저항을 향상시키는 강화된 컵 모양의 헤드로 설계되었습니다. 이 기능은 미끄러짐이나 고장의 위험을 줄여 높은 토크와 단단한 조임이 필요한 응용 분야에 이상적입니다.안정성 향상을 위한 회전 방지 기능
스퀘어 넥은GB-T 794 강화 컵 헤드 스퀘어 넥 볼트설치 중 회전을 방지하여 진동이 심한 환경에서 더 큰 안정성과 보안을 제공합니다. 이 설계는 추가 잠금 장치의 필요성을 제거하여 시간과 비용을 절약하는 동시에 보다 안정적인 연결을 보장합니다.장수를 위한 내식성
에 부식 방지 코팅이 되어 있습니다.GB-T 794 강화 컵 헤드 스퀘어 넥 볼트습기, 화학 물질 및 극한의 기상 조건에 노출된 환경에서 안정적으로 작동할 수 있는지 확인합니다. 이러한 코팅은 볼트의 수명을 연장하여 실내 및 실외 응용 분야에서 장기간 사용하기에 적합합니다.다양한 산업 분야에서 다양한 용도로 사용 가능
이GB-T 794 강화 컵 헤드 스퀘어 넥 볼트다재다능하며 건설, 자동차, 해양 및 중장비를 포함한 다양한 산업 분야에서 사용할 수 있습니다. 강도, 내구성 및 회전 방지 기능의 고유한 조합으로 인해 안전하고 오래 지속되는 고정이 필요한 응용 분야에 적합한 솔루션입니다.비용 효율적이고 신뢰할 수 있음
우수한 성능과 신뢰성을 제공하는GB-T 794 강화 컵 헤드 스퀘어 넥 볼트비용 효율적인 체결 솔루션을 제공합니다. 내구성과 부식에 대한 내성은 잦은 교체의 필요성을 최소화하여 전체 유지 보수 비용을 줄이고 중요한 구성 요소의 장기적인 안정성을 보장합니다.
이GB-T 794 강화 컵 헤드 스퀘어 넥 볼트고강도, 내구성 및 신뢰할 수 있는 체결 솔루션이 필요한 다양한 산업 분야의 필수 구성 요소입니다. 강화된 컵 모양의 머리와 사각 목의 독특한 조합은 향상된 토크 저항, 회전 방지 특성 및 우수한 하중 지지 능력을 제공합니다. 건설, 자동차, 중장비, 해양 또는 석유 및 가스 산업에서 사용되는지 여부에 관계없이 이 볼트는 까다로운 응용 분야에 필요한 강도, 안정성 및 내식성을 제공합니다. 정밀 엔지니어링과 오래 지속되는 성능으로,GB-T 794 강화 컵 헤드 스퀘어 넥 볼트중요한 환경에서 안전하고 신뢰할 수 있는 연결을 보장하기 위한 이상적인 선택입니다.





